This website requires JavaScript.
Explore
Help
Sign In
hexone2086
/
graduation-project
Watch
1
Star
0
Fork
0
You've already forked graduation-project
Code
Issues
Pull Requests
Packages
Projects
Releases
Wiki
Activity
Files
b4b56840d5d073076b343cbb881cd63ff95cae4a
graduation-project
/
doc_attachments
/
2024-03-26T09-20-09-142Z.png
CaoWangrenbo
1563630ad8
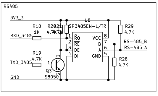
完成485接口和xc6206部分
2024-03-26 17:31:49 +08:00
26 KiB
534x325px
Raw
History